CNC & EDM Machines
Fume Hoods Flooding System - IHP
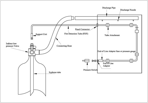
Viaan Enterprise Indirect High-Pressure (IHP) CO2 System
Viaan Enterprise recommends the Indirect High-Pressure (IHP) CO2 fire suppression system for fume hoods, ensuring reliable protection for critical laboratory equipment.
System Components and Operation:
- Thermo Sensitive Tube: UL listed, this tube is crucial for detecting temperature rises and initiating the fire suppression process.
- Detection Tubing: Installed around the testing zones of chemicals and within the hood to provide 360-degree fire detection and suppression. The tubing ensures comprehensive coverage of both the work area and surrounding environment.
- Large Nozzles: Positioned above the workstation, these nozzles deliver a high volume of CO2 as a gentle mist. This approach helps control burning fumes and prevents them from spreading.
System's Work:
- Indirect System: Uses the Heat Sensing Tube solely for fire detection. Fire suppression is conducted via copper, stainless steel, or braided pipes.
- Activation: The Heat Sensing Tube bursts due to elevated temperatures, triggering the valve. The suppression agent is then discharged through strategically placed nozzles within the protected area.
Advantages:
- International Compliance: Adheres to international standards, ensuring safety and reliability.
- Comprehensive Detection: Provides full coverage around chemical testing zones and within the fume hood.
- Effective Control: Uses CO2 in a controlled mist to manage and suppress fires, minimizing the risk of spread.
- Precision Coverage: Tailored for environments with sensitive and high-risk chemical operations.
Application:
Perfect for laboratory environments with fume hoods, the IHP system offers precise and effective fire protection, ensuring safety and operational continuity.
Advantages
| Fast, reliable and cost-effective system | Activates automatically in the event of a fire and suppresses a fire in seconds, reducing or eliminating equipment damage and downtime | Pre-engineered system is easy to install in any new or existing machine |
| No costly false discharges | Manual release option allows operator to activate system at first sign of trouble | Pressure switch option can be configured to sound alarms and e-stop machines, oil pumps, and mist collectors |
| Extinguishing agents will not contaminate expensive metalworking fluids or lubricants | Stops overhead sprinkler system from activating which can lead to extensive collateral damage | Reduced downtime, not damage to machine or work piece, no clean up, no loss of customer/account |
TECHNICAL SPECIFICATIONS
| MODEL | Specifications | MODEL | Specifications |
|---|---|---|---|
| Extinguishing Agent | CO2-IHP | Capacity | 4.5, 6.5, 9, 22.5, 45 kg |
| Working Pressure | 60-70 bar | Cylinder Approvals | CCOE |
| Gas Approvals | IS: 15222 | Other Applications | Panels, Fume hoods e.t.c. |
Fume Hoods Flooding System - ILP
Viaan Enterprise Indirect Low Pressure (ILP) System
Viaan Enterprise recommends the Indirect Low Pressure (ILP) fire suppression system for fume hoods, designed to offer reliable protection for critical laboratory environments.
System Components and Operation:
- Thermo Sensitive Tube: UL listed, it serves as the system's primary fire detection and response mechanism, activating upon detecting a temperature rise.
- Detection Tubing: Red tubing is routed throughout the work zone to ensure comprehensive fire detection and improve reaction time. It can be extended to the front of the workstation for optional manual release.
- Large Nozzles: Positioned to deliver a high volume of clean agent gas, these nozzles are designed to quickly suppress fires in the initial stages.
System's Work:
- Indirect System: Utilizes the Heat Sensing Tube for fire detection only. The fire suppression agent is delivered via copper, stainless steel, or braided pipes.
- Activation: The Heat Sensing Tube bursts due to heating, which triggers the valve. The agent is then discharged through strategically placed nozzles within the protected enclosure.
Advantages:
- International Compliance: All major components meet international standards, ensuring high reliability and safety.
- Enhanced Detection: The detection tubing provides thorough coverage, improving reaction time and reducing the potential for damage.
- Effective Suppression: The system is designed to suppress fires in their initial stages, minimizing damage and enhancing safety.
- Manual Release Option: Allows for additional control and activation in critical situations.
Application:
Ideal for laboratory environments with fume hoods, the ILP system provides efficient and effective fire protection, ensuring both safety and operational efficiency.
TECHNICAL SPECIFICATIONS
| MODEL | Specifications | MODEL | Specifications |
|---|---|---|---|
| Extinguishing Agent | FE 36/HFC236fa FK-5-1-12 FM 200/HFC227ea |
Capacity | 2, 4, 6 kg |
| Working Pressure | 13.5-15 bar | Cylinder Approvals | CE |
| Gas Approvals | UL/FM/EPA SNAP |