Loading...
×
Wind-Turbine-1.jpg
Wind-Turbine-2.jpg

Wind Turbine

Wind Turbine – DLP (Direct Low Pressure)
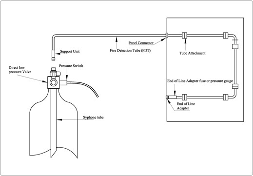
Direct Low Pressure (DLP) Pre-Engineered Fire Suppression System provides simple, effective, and reliable protection for critical assets such as wind turbines.

All system components comply with international standards and are highly reliable for early fire detection and suppression.

A UL-listed thermo-sensitive Fire Detection Tube (FDT) is installed throughout the alternator zone within the wind turbine. This tube acts as both the detector and suppressant delivery channel.

In the event of a fire, the section of the pressurized detection tubing closest to the heat source bursts. This rupture forms a nozzle through which the fire suppression agent is directly discharged at the fire source—providing rapid, localized suppression.

Key Features
  • Very fast and reliable fire detection using clean agents
  • Safe for humans, equipment, and the environment with no cleanup required
  • No interference with installation or maintenance activities
  • Electrically non-conductive; follows cable paths for precise protection
  • Fully independent system—requires no external power source
  • Cost-effective and easy to maintain
  • Can be integrated with existing fire control systems

System Operation
  • The Direct System uses the Heat Sensing Tube for both fire detection and agent discharge.
  • Upon reaching a critical temperature, the tube ruptures, forming a discharge nozzle.
  • This pressure drop in the tube causes the full release of the suppression agent directly onto the fire.

Wind Turbine– ILP (Indirect Low Pressure)
  • Kanex recommends the Indirect Low Pressure (ILP) Fire Suppression System for wind turbines, delivering reliable and efficient fire protection.
  • All components conform to international standards and are designed to operate dependably in harsh wind turbine environments.
  • The UL-listed red thermo-sensitive detection tubing is routed throughout the alternator zone, enabling rapid fire detection while minimizing potential damage.
  • Large discharge nozzles are strategically placed to release a high volume of clean agent gas, effectively extinguishing fires in their early stages.

Key Features
  • Fast, automatic fire detection and suppression
  • Significantly reduces equipment damage and operational downtime
  • Easy integration with fire alarms or control systems
  • Does not interfere with turbine operation or servicing
  • Optional pressure switch enables alarm activation or equipment shutdown
  • Clean, residue-free suppression with no cleanup required


TECHNICAL SPECIFICATIONS


MODEL Specifications MODEL Specifications
Extinguishing Agent FE 36/HFC236fa
FK-5-1-12
FM 200/HFC227ea
Available Capacities 2, 4, 6 kg
Working Pressure* 13.5-15 bar Cylinder Approvals CE
Gas Approvals UL/FM/EPA SNAP

Go Up